Menu
0
Home
Shop by Tool
Tape Guns
Industrial Tape Guns
Premium Tape Guns
Tape Dispensers & Applicators
Label Dispensers and Labels
Bottle Applicators & Label Rewinders
Shipping Items
Twist Tie Machinery and Materials
Impulse Sealers
Shop By Market
Ecommerce
Manufacturing
Fulfillment
Shipping & Packaging
3PL & Distribution
Pharmaceutical
Beverage & Bottling
Bakery & Grocery
Retail & In Store
Office Supplies
Supplies
Carton Sealing Tape
Wafer Seals & Labels
Bag Sealing Tape
Twist Tie Ribbon
Refurbished
Spare Parts
Shop All
Resources
Return Policies
Defective Products Return
Returns for Products Damaged in Shipping
Wrong Item, Non-Defective, or Not Wanted
Warranties
Financing
About Us
FAQ
Best Practices
How to Choose the Right Type of Packaging Tape
Contact
Sign in
Your Cart is Empty
Home
Shop by Tool
Tape Guns
Industrial Tape Guns
Premium Tape Guns
Tape Dispensers & Applicators
Label Dispensers and Labels
Bottle Applicators & Label Rewinders
Shipping Items
Twist Tie Machinery and Materials
Impulse Sealers
Shop By Market
Ecommerce
Manufacturing
Fulfillment
Shipping & Packaging
3PL & Distribution
Pharmaceutical
Beverage & Bottling
Bakery & Grocery
Retail & In Store
Office Supplies
Supplies
Carton Sealing Tape
Wafer Seals & Labels
Bag Sealing Tape
Twist Tie Ribbon
Refurbished
Spare Parts
Shop All
Resources
Return Policies
Defective Products Return
Returns for Products Damaged in Shipping
Wrong Item, Non-Defective, or Not Wanted
Warranties
Financing
About Us
FAQ
Best Practices
How to Choose the Right Type of Packaging Tape
Contact
0
0
Home
Products
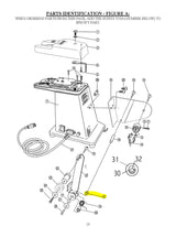
#3567 V10A-17 - BUSHING WITH COLLAR
#3567 V10A-17 - BUSHING WITH COLLAR
$9.15
Notify me when this product is available:
Notify me when this product is available:
Qty
Add to Cart
This item is a recurring or deferred purchase. By continuing, I agree to the
cancellation policy
and authorize you to charge my payment method at the prices, frequency and dates listed on this page until my order is fulfilled or I cancel, if permitted.
BUSHING WITH COLLAR